33-1 關於標註
標註(Dimension)用來標示及說明圖面物件,如尺寸及註解。
是設計者表達設計理念的一種方式。
標註本身也是物件,通常包含了標註線、延伸線以及標註文字等元素。
藉由設定標註型式,可以設定標註的顯示方式。
建議不要任意分解標註物件,因為會讓標註物件的元素彼此失去了關聯性,而使得運用標註測量的數值不正確。
使用標註有以下2個步驟,先設定標註型式。
1、使用各種標註命令建立標註物件。
2、標註物件很像是含有屬性文字的圖塊,讓您可以更方便的建立或移除標註物件。
33-2 標註通則
1、標註線盡量的細,不要太粗,也盡量不要用虛線。
2、標註線加上箭頭。
3、延伸線在標註線上方2~3mm。
4、一般而言,標註文字字高以3.15~6.3mm為準,通常是3.15mm。
5、標註文字在標註線上方約1mm。
6、任2條標註線的間隙最好在8~10mm。
33-3 輔助標註符號
若圖面物件不能完全表達所有資訊,則可以使用輔助標註符號說明之。
33-4 標註型式
標註型式讓您定義標註線的線型、延伸線、箭頭大小與型式、文字大小與位置,測量單位與公差等。
1、下拉選單:[格式]→[標註型式]
2、工具列圖示 :

3、功能區面板:[註解]→[標註]→[標註型式]
4、命令 :DIMSTYLE
33-5 建立標註型式
1、在[標註型式管理員]中按下[新增]。
2、在[新型式名稱]中,輸入型式名稱(如:Dimension),按下[繼續]。
3、調整設定值後,按下[確定]即完成新增。
33-6 比較標註型式
1、在[標註型式管理員]中按下[比較]。
2、選擇2個不同的型式名稱,系統會列出設定值相異之處。
33-7 標註參數值
命令:
dimtofl
請輸入 DIMTOFL 的新數值 <off>:
命令:
dimtoh
請輸入 DIMTOH 的新數值 <ON>:
33-8 標註取代
標註取代(DIMOVERRIDE)命令,將調整已選取標註型式的數值,或是取消取代,回復原標註型式的數值。
1、下拉選單:[標註]→[取代]
2、工具列圖示:

4、命令:DIMOVERRIDE
命令: _dimoverride
請輸入要取代的標註變數名稱 或 [清除取代(C)]:
dimclrd
DIMCLRD目前是.請輸入新數值:
1
請輸入要取代的標註變數名稱:
(Enter)
請指定要變更的標註:(選取標註,並按下Enter)
設定中的物件:1
請指定要變更的標註:
(Enter)
命令: _DIMOVERRIDE
請輸入要取代的標註變數名稱 或 [清除取代(C)]:
dimtxt
DIMCLRD目前是 <3>,請輸入新數值:
5
請輸入要取代的標註變數名稱:
(Enter)
請指定要變更的標註:
(Enter)
設定中的物件:1
請指定要變更的標註:
(Enter)
33-9 線性標註
可水平,垂直或式旋轉角度標註線性物件。
1、下拉選單 :[標註]→[線性]
2、工具列圖示 :

3、功能區面版:[註解]→[標註]→[線性]
4、命令 :DIMLINEAR
命令: -dimlinear
按Enter選取物件./<請指定第1標註線原點>:
P1
請指定第2標註線原點:
P2
角度(A)/文字(T)/標註線方向: 水平(H)/垂直(V)/旋轉(R):
P3
標註文字 = 5.3804:
以下為水平,垂直以及旋轉標註效果。
33-10 對齊式標註
對齊式標註,讓標註物件與物件平行對齊。
1、下拉選單:[標註]→[對齊]
2、工具列圖示:

3、功能區面版:[註解]→[標註]→[對齊式]
4、命令:DIMALIGNED
命令: _DIMALIGNED
按Enter選取物件./<請指定第1標註線原點>:
P1
請指定第2標註線原點:
P2
角度(A)/多行文字(M)/文字(T)/<標註線位置>:
P3
33-11 轉折線性
(按

分享好友後顯示精彩內容...)
轉折線性(DIMJOGLINE)命令,在線性標註中,加入轉折符號。
1、下拉選單:[標註]→[轉折線性]
2、工具列圖示 :

3、功能區面版:[註解]→[標註]→[轉折線性]
4、命令:DIMJOGLINE
命令: _DIMJOGLINE
請選取要加入轉折的標註:
P1
請指定要轉折的位置 (或 按ENTER):
P2
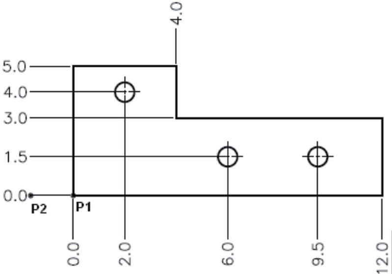
33-12 座標式標註
(按

分享好友後顯示精彩內容...)
標註水平或是垂直的座標值。
1、下拉選單:[標註]→[座標式]
2、工具列圖示 :

3、功能區面版:[註解]→[標註]→[座標式]
4、命令 : DIMORDINATE
命令: _DIMORDINATE
請選取座標式標註一點:
P1
文字(T)/角度(A)/X基準(X)/Y基準(Y)/<請指定引線端點>:
P2
標註文字 = 5.8728
33-13 連續式標註
(按

分享好友後顯示精彩內容...)
跟隨已建立的線性,角度或是座標式標註,建立連續式的標註。
1、下拉選單 :[標註]→[連續式]
2、工具列圖示 :

3、功能區面版:[註解]→[標註]→[連續式]
4、命令:DIMCONTINUE
命令: _DIMCONTINUE
請選取連續式標註:
P1
連續式:按Enter選取起始標註./復原(U)/<請指定下一條延伸線原點>:
P2
標註文字 = 1.0271
連續式:按Enter選取起始標註./復原(U)/<請指定下一條延伸線原點>:
P3
標註文字 = 0.2403
連續式:按Enter選取起始標註./復原(U)/<請指定下一條延伸線原點>:
(Enter)
33-14 基線式標註
(按

分享好友後顯示精彩內容...)
繪製共用基線的連續標註。
1、下拉選單 :[標註]→[基線式]
2、工具列圖示:

3、功能區面版:[註解]→[標註]→[基線式]
4、命令:DIMBASELINE
命令: _DIMBASELINE
基線式:按Enter選取起始標註./復原(U)/<請指定下一條延伸線原點>:
P1
標註文字 = 5.1033
基線式:按Enter選取起始標註./復原(U)/<請指定下一條延伸線原點>:
P2
標註文字 = 1.4701
基線式:按Enter選取起始標註./復原(U)/<請指定下一條延伸線原點>:
P3
標註文字 = 5.1033
基線式:按Enter選取起始標註./復原(U)/<請指定下一條延伸線原點>:
P4
標註文字 = 1.4701
基線式:按Enter選取起始標註./復原(U)/<請指定下一條延伸線原點>:
P5
標註文字 = 1.4701